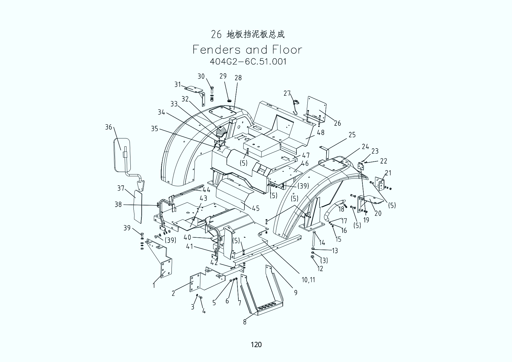
| 1 | 404G2-6C.51.012-1 | | 1 | |
| 2 | 404G2-6C.51.011-1 | | 1 | |
| 3 | GB/T93-1987-16 | | 26 | |
| 4 | GB/T5783-2000-M16×35 | | 10 | |
| 5 | GB/T5783-2000-M8×25 | | 23 | |
| 6 | GB/T93-1987-8 | | 23 | |
| 7 | GB/T6170-2000-M8 | | 19 | |
| 8 | 504G3-3.51B.017 | | 1 | |
| 9 | 404G2-6C.51.105 | | 1 | |
| 10 | 404G2-6C.51.019-1 | | 1 | |
| 11 | 404G2-6C.51.101 | | 1 | |
| 12 | GB/T6170-1986-M16 | | 16 | |
| 13 | GB/T97.1-2002-16 | | 16 | |
| 14 | GB/T5782-2000-M16×175 | | 8 | |
| 15 | GB/T6170-2000-M10 | | 16 | |
| 16 | GB/T97.1-2002-10 | | 16 | |
| 17 | GB/T93-1987-10 | | 16 | |
| 18 | 404-11.51.104 | | 2 | |
| 19 | 404G2-6D.51.274 | | 2 | |
| 20 | 404-11.51.025 | | 1 | |
| 21 | 354-1.47.307 | | 1 | |
| 22 | GB/T93-1987-6 | | 4 | |
| 23 | GB/T5783-2000-M16×20 | | 4 | |
| 24 | 404G2-6C.51.017 | | 1 | |
| 25 | 404G2-6C.51.106 | | 2 | |
| 26 | 304G2-6E.51.101 | | 1 | |
| 27 | 304G2-6.51.031 | | 1 | |
| 28 | 404G2-6C.51.018 | | 1 | |
| 29 | 504G3.47.151 | | 2 | |
| 30 | GB/T5783-2000-M16×50 | | 8 | |
| 31 | 404-11.51.026 | | 1 | |
| 32 | 504G3-3.51.102 | | 1 | |
| 33 | GB/T67-2000-5×25 | | 4 | |
| 34 | 504G3-3.37.101 | | 1 | |
| 35 | GB/T93-1987-5 | | 4 | |
| 36 | AE-3 | | 2 | |
| 37 | 504G3.47.015 | | 2 | |
| 38 | 404G2-6C.51.026 | | 1 | |
| 39 | GB/T5783-2000-M10×30 | | 4 | |
| 40 | 404G2-6C.51.107 | | 1 | |
| 41 | 404G2-6C.51.025 | | 1 | |
| 42 | GB/T5783-2000-M10×20 | | 8 | |
| 43 | 404G2-6C.51.108 | | 1 | |
| 44 | 404G2-6C.51.104 | | 1 | |
| 45 | 404G2-6C.51.022 | | 1 | |
| 46 | 404G2-6D.58A.011 | | 1 | |
| 47 | 404G2-6C.51.016 | | 1 | |
| 48 | 404G2-6C.51.015B | | 1 | |
| 49 | 404G2-6C.51.014B | | 1 | |