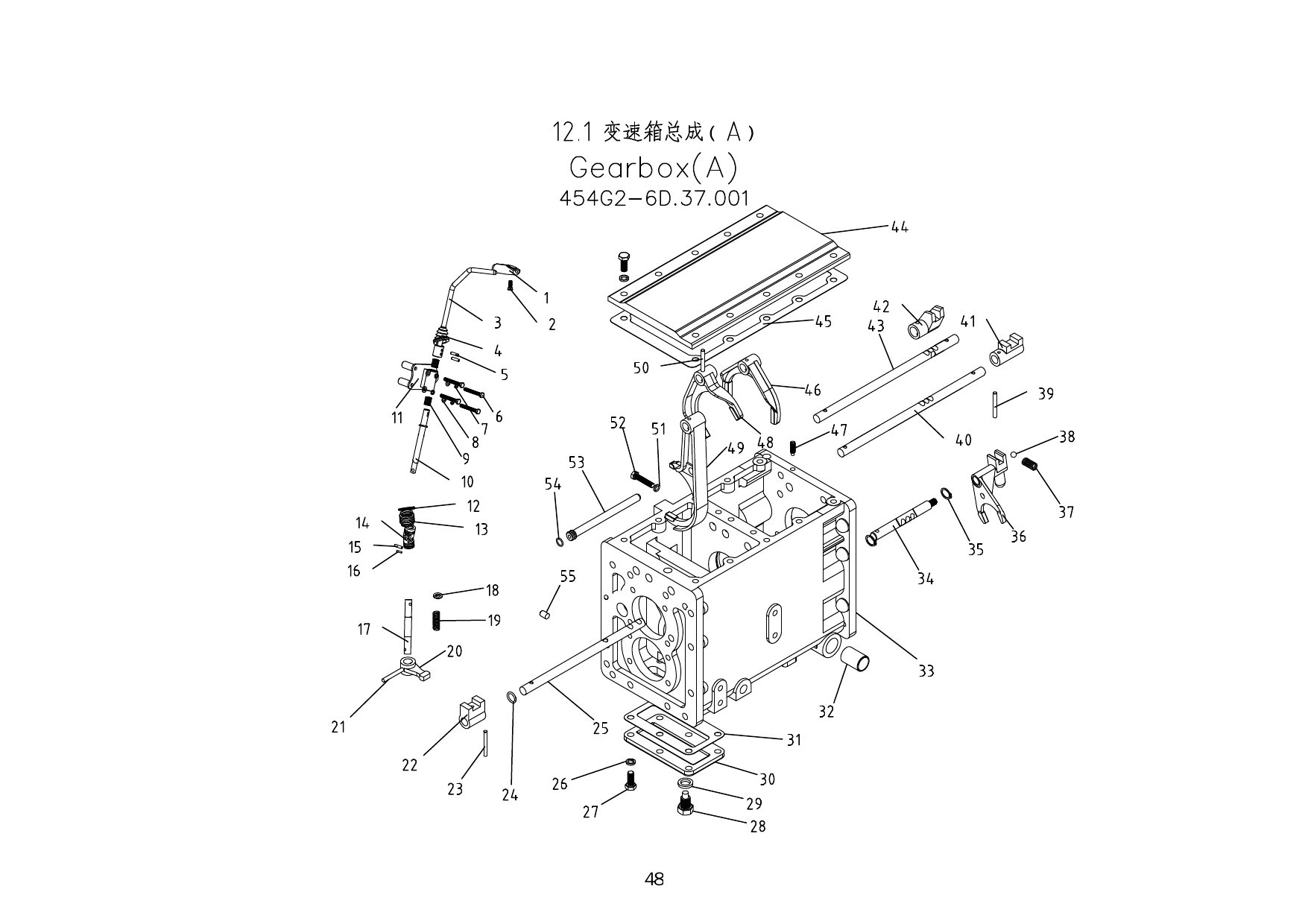
| 1 | 504G3.29.020 | | 1 | |
| 2 | GB/T | | 1 | |
| 3 | 404G2-6F.37.014-1 | | 1 | |
| 4 | 504G3.20.101 | | 1 | |
| 6 | GB/T5783-2000-M8×20 | | 4 | |
| 7 | GB/T93-1987-8 | | 4 | |
| 8 | GB/T97.1-2002-8 | | 4 | |
| 9 | JB/T7918-1997-K15×19×17 | | 2 | |
| 10 | 404G2-6F.37.016A | | 1 | |
| 11 | 404G2-6F.37.017A-2 | | 1 | |
| 12 | 504G3.29.112 | | 2 | |
| 13 | 504G3.29.127 | | 1 | |
| 14 | 504G3.29.015 | | 1 | |
| 15 | GB/T879.1-2000-6×28 | | 2 | |
| 16 | GB/T879.1-2000-3×28 | | 2 | |
| 17 | 404G2-6F.37.121A | | 1 | |
| 18 | GB/T97.1-2002-16 | | 1 | |
| 19 | 304G2.37.118-1 | | 1 | |
| 20 | 304G2.37.120 | | 2 | |
| 22 | 304G2.37.128 | | 1 | |
| 23 | GB/T879.1-2000-5×32 | | 1 | |
| 24 | GB/T3452.1-1992-15×2.65 | | 3 | |
| 25 | 304G2.37.129 | | 1 | |
| 26 | GB/T93-1987-10 | | 16 | |
| 27 | GB/T5783-2000-M10×25 | | 16 | |
| 28 | 200.38.024 | | 1 | |
| 29 | JB-FT-CU-16 | | 1 | |
| 30 | 300.37.150 | | 1 | |
| 31 | 300.37.151 | | 1 | |
| 32 | 200.38.144-3 | | 3 | |
| 33 | 404G2-6F.37.110 | | 1 | |
| 34 | 404G2-6F.37.105 | | 1 | |
| 35 | GB/T894.1-1986-15 | | 2 | |
| 36 | 404G2-6F.37.103 | | 1 | |
| 37 | 200.37.127-1 | | 4 | |
| 38 | GB/T308-2002-9.5 | | 4 | |
| 39 | GB/T879.1-2000-6×24 | | 2 | |
| 40 | 404G2-6F.37.106 | | 1 | |
| 41 | 404G2-6F.37.102 | | 1 | |
| 42 | 404G2-6F.37.101 | | 1 | |
| 43 | 404G2-6F.37.107 | | 1 | |
| 44 | 304G2.37.103 | | 1 | |
| 45 | 304G2.37.102 | | 1 | |
| 46 | 304G2.37.114 | | 1 | |
| 47 | GB/T75-1985-M8×30 | | 1 | |
| 48 | 304G2.37.112 | | 1 | |
| 49 | 304G2.37.130 | | 1 | |
| 50 | GB/T879.1-2000-5×26 | | 7 | |
| 51 | JB-FT-CU-12 | | 1 | |
| 52 | GB/T5783-2000-M12×25 | | 1 | |
| 53 | 304G2.37.155 | | 1 | |
| 54 | GB/T3452.1-1992-11.2×2.65 | | 1 | |
| 55 | 450.37.102 | | 1 | |